美国莱斯大学3000℃的"闪蒸焦耳加热"技术能解决稀土问题么?稀土串级萃取技术,技术揭秘
图一,日经中文网说美国莱斯大学发明了一个"闪蒸焦耳加热"(FJH)技术。先粉碎含稀土的废弃物,如煤飞灰、电子垃圾、废旧磁铁等。再在在氯气氛围的石英容器中,通过碳膜电极瞬间通电1秒,将温度拉升至1000–3000℃。无用的矿物和塑料与氯反应瞬间挥发,剩下的是稀土化合物。很环保,几乎不用水,完全不用酸碱,能耗比传统溶剂萃取降低87%,解决了传统提炼产生含重金属强酸废液的痛点。
这个技术,在中国的稀土提炼工艺里,是个啥水平?啥也不是,只是技术含量低的“富集”工艺的一种选择,和核心的“串级萃取”技术一点关系都没有。FJH出来的稀土化合稀土含量富集了一些,没什么纯度可言。即使后面不断萃取提纯到99.5%都是低水平,99.99%、99.9999%更是卡得美国毫无办法。
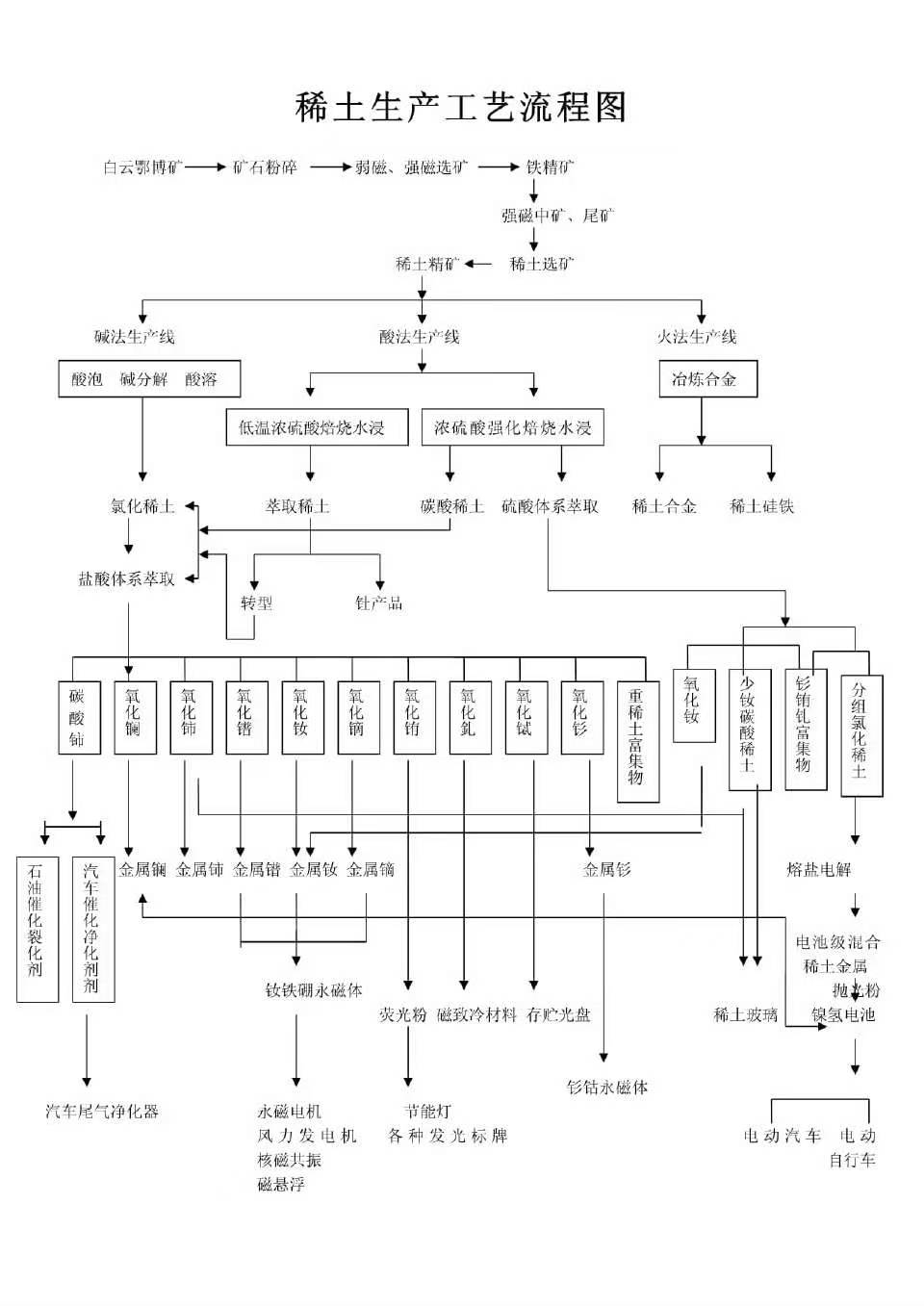
图二是白云鄂博稀土生产工艺流程图,看上去有点复杂,其实不难理解。这个不要担心泄密,我都能解说的,不可能是机密。
开始是粉碎、弱磁强磁选矿。矿石里杂质要多得多,如磁铁、赤铁。弱磁抓出磁铁矿,强磁扫出赤铁矿和稀土矿物,稀土提前富集3–4倍。
后面“稀土选矿”就是“浮选富集”。磁选剩下来的中-弱磁性料里仅占10%的稀土矿物,用药剂多次浮选,富集5倍,变成高品位“稀土精矿”。这步有点技术含量,捕收剂、抑制剂、调整剂、起泡剂。“浮选”就是有用矿物“浮”到水面变成泡沫,脉石矿物“沉”在槽底,实现分离。这步不是核心机密,出来稀土精矿中稀土含量约50%,氧化钙、铁等杂质也较多。
再往下,处理稀土精矿就有三种工艺,酸法、碱法、火法。火法就是做稀土合金,土窑子也能做,高炉炼铁一样,加硅铁(或焦炭)、石灰,用硅或碳置换稀土氧化物中的氧。技术含量低入门容易,但稳产、高收率、低成本、环保能做好的不多。不是高科技,和串级萃取无关。
酸法、碱法就是为串级萃取准备原材料。原材料叫“氯化稀土溶液”,酸法和碱法各有优势。酸法将稀土直接拉进溶液,省碱、省钱,但副产巨量磷石膏和含钍铁渣;碱法让稀土先沉淀成固体,钍、磷、铝与稀土分离彻底,渣量小无石膏,但烧碱贵、设备耐压高。北方轻稀土80%走酸法,南方高钍精矿越来越倾向碱法。这步也没太高科技,万吨级生产要环保指标之类的。
莱斯大学的FJH,大致相当于在这一步有点作用。对于低品位废料(其它原料FJH不合适),如煤飞灰、废旧磁铁、电子垃圾,这些用传统酸法、碱法处理不经济不环保,FJH的"秒级高温"有些优势。但这都是前序工艺,没到串级萃取。用了FJH,后面也还是得萃取。
“氯化稀土溶液”是稀土精矿用盐酸 (HCl) 溶解后得到、以 RECl₃ 形式(RE指17种稀土元素)存在的混合水溶液,透明微黄,是串级萃取、电解制金属、催化裂化剂、稀土氧化物前驱体等下游工序的“通用母液”。溶液里有“溶质”,主要是稀土离子,也有离子杂质,如铁、钙、镁、铝、钍离子,如前面做得好,一升里也就1-50mg。“氯化”就是盐酸。
注意,这是“盐酸体系萃取”,还有“硫酸体系”。盐酸体系绝对主流占90%,但硫酸体系在崛起。酸法里本来就有酸,直接弄硫酸体系。碱法后面得加盐酸,成本高。但盐酸体系纯度有优势。
终于能说“串级萃取” 了,输入是氯化稀土溶液。里面有17类性格几乎一模一样的小朋友(化学性质类式的17种稀土元素),都穿着同样颜色(Cl离子)的衣服,混在一起分不清。大招是,让小朋友排成一条长队,反复通过一扇门;门只让某种体型的小朋友通过。每次过门后都等于重新排队了,最终17人按高矮顺序完全分开。
门就是“萃取槽”。什么是“萃取”(extraction)?就是让原本混在一起的 A、B 两种东西,借助第三种物质(萃取剂)和“两不相溶的两相”,把 A 拉到新相里,B 留在原相里,搬家式分离。稀土工业里原相是水状溶液(含稀土离子),新相是有机溶剂(如煤油 + 萃取剂 P507),被搬家的是某一种稀土离子如钕,留下的是另一稀土离子如镨。虽然稀土离子化学性质相近,但离子半径胖瘦有差异。
萃取剂P507(正式名称2-乙基己基膦酸单-2-乙基己酯)分子像“章鱼”,长链溶于煤油,磷酸基团伸向水侧。钕离子胖,电荷密度相对低,更容易脱掉部分水合外套,与 P507 的磷酸基形成稳定络合物。镨离子因为瘦,电荷密度高,抱住水合外套更紧,P507 拉不动它。最后钕离子被“章鱼”拖进有机相(萃取),镨留在水相。
我本以为,有很多种稀土萃取剂,先用一种抓走最胖的,再换一种抓次胖的,直到最瘦的。但只有一种P507(特殊工艺才换其它一两种)反复做!每次都抓走一些离子,对于相邻稀土会有一个“分离系数”,如钕镨为1.3,一次萃取比例降1.3,也就是纯度提升30%(只关于这两元素的分离)。反复不停地做几百次,最后分离纯度就能达到99.999%。反复分离,所有稀土元素就都分开了。
听上去也不难,为啥99.999%的高纯度很难?因为这只是理论,指数一乘99.9%的3N到99.9999%的6N只是多来几百次,但实际问题一堆。例如分离级数可能高达200-600级,但会有误差,误差稍有问题,最后结果就是上千倍的差异,以为能6N实际是3N。实践中,会发现“5N比4N难10倍”,就是这个误差。做3N有点误差没事,5N里有点误差就会让“前功尽弃”,这是简单的数学。
也就是说,徐光宪发明的这套牛逼理论,1975年用不太复杂的设备,就对钕镨就做到了4N的99.99%!但是,后面很多年中国许多院士带着无数科研人员想办法控制误差,才是生产实践里的“干货”。这里面专利不知道有多少,从4N到5N,就有点类似光刻机做芯片的精度从90nm提升到28m,难度极高。光刻机的纳米精度就是各种部件都要控制误差,稀土加工也一样,各种部件都要控制误差到极低,来点杂质全完。

